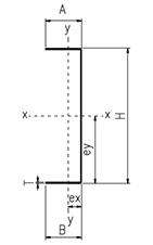
U Profil
U Profil Kesiti
- H Yükseklik
- A Üst kenar yüksekliği
- B Alt kenar yüksekliği
- T Kalınlık
- (mm)
- H 100-400
- A 50-100
- B 50-100
- T 1.00-4.00
U profiller üstün teknolojiye sahip üretim hatları ile proje detaylarına göre talep edilen ölçü ve eksende delik delme, çapaksız kesim, profiller üzerine mürekkep püskürtmeli markalama, kişi ve kurumlara özel paketlemeler ile talep edilen boy ve ölçülerde üretilmektedir. Bilgisayar kontrollü, tam otomatik ve yüksek kapasiteye sahip makinelerimize yüklenen profillerin 3 boyutlu çizimleri sayesinde profillerin tüm noktalarına delik açılabilmektedir. Max. 16000 mm boyda, max. 4,00 mm – st52 sertlikte, max. 400mm web ölçüsünde ve max. 100 mm flanş ölçülerinde üretilebilmektedir.
U profil ürünleri inşaat, çelik yapı, hafif çelik yapı, otomotiv, elektrik-elektronik, metal eşya, enerji, v.b. sektörlerindeki endüstriyel yapılarda ve çelik binalarda taşıyıcı ya da yardımcı eleman olarak tercih edilmektedir.Bu profiller; U profil, U aşık profili, U kuşak profili, çatı profili, cephe profili, hafif çelik yapı profili, çelik konstrüksiyon profili, ağır çelik bina profili, delikli U profili, çekme U profili, Özel imalar yapı profili, çelik bina profili, prefabrik yapı profili, özel imalat U profili, prefabrike bina profili, karkas profili, makas profili, çelik çatı profili v.b. isimler altında kullanılmaktadır.
U profiller aşırı yüklere maruz kalan ağır çelik endüstriyel yapılarda yardımcı ürün olarak aşık, kuşak ve cephe profili. Hafif çelik binalar, depolar, hangarlar ve hayvan barınakları gibi endüstriyel olmayan çelik yapılarda taşıyıcı kolon, kiriş ve çatı makası olarak kullanılmaktadır.
Tasarlanan ve çizilen projelere uygun olarak malzeme özelliklerinde kaplama ve mekaniksel tercihler yapılabilir. Malzemelerin özellikleri gelen yüklere göre sert ya da yumuşak olarak, korozyona karşı dayanımı da galvaniz kaplama kalınlığı veya sıcak sac üzeri boya şeklinde tercih edilebilir.
U profiller çok yüksek taşıma kapasitelerine sahip olması nedeni ile; ağır çelik malzemelerle üretilmiş yapılara nazaran %40′ a varan malzeme ve fiyat avantajı sağlamaktadır. Bununla birlikte üretim, temin, sevkiyat ve montaj kolaylığı sağladığı için çelik bina yapımlarını daha güvenilir, hızlı ve ekonomik hale getirmiştir.
U profiller çatılarda, kirişlerde ya da kolonlarda parça kopmaları yaşanmadığı için daha güvenilir ve tercih edilen bir sistemdir. Gelişmiş ülkelerin vazgeçilmezi olan çelik konstrüksiyon yapı sistemleri özellikle deprem ve doğal afet kuşağında bulunan ülkeler içinde en uygun yapı sistemidir. Bunun dışında taşıma, parça ekleme ve çıkarma kolaylığı, çevre dostu ve geri dönüşümlü malzemeler olması sebebi ile daha sık tercih edilmektedir.
90° köșelerdeki büküm yarıçapı: min. 3.00 mm
Tüm ebatlar TS EN 1993-1-3 standartına uygundur.
Malzeme: S390GD + Z / S350GD+Z / DX51D+Z / S235 JR / S355
U Profil Teknik Detay Tablosu
| H | A | B | T | Radius | ~Açılım | Ağırlık | Alan | Kuvvetli Eksen (x-x) | Zayıf Eksen (y-y) | Ağırlık Merkezi | ||||||
| Profil | mm | mm | mm | mm | mm | mm | kg/m | cm2 | lx(cm4) | Sx(cm3) | rx(cm) | ly(cm4) | Sy(cm3) | ry(cm) | ex(cm) | ey(cm) |
| U400x82x4 | 400 | 82 | 82 | 4 | 3 | 550 | 17,25 | 21,97 | 4511,67 | 225,58 | 14,3 | 107,04 | 15,2 | 2,2 | 1,36 | 0 |
| U400x81x3,5 | 400 | 81 | 81 | 3,5 | 3 | 550 | 15,08 | 19,21 | 3942,24 | 197,11 | 14,3 | 91,21 | 13,1 | 2,18 | 1,32 | 0 |
| U400x80x3 | 400 | 80 | 80 | 3 | 3 | 550 | 12,92 | 16,45 | 3374,33 | 168,72 | 14,3 | 76,12 | 11,06 | 2,15 | 1,27 | 0 |
| U400x80x2,5 | 400 | 80 | 80 | 2,5 | 3 | 550 | 10,8 | 13,75 | 2827,71 | 141,39 | 14,32 | 64 | 9,31 | 2,16 | 1,25 | 0 |
| U400x79x2 | 400 | 79 | 79 | 2 | 3 | 550 | 8,63 | 10,99 | 2258,99 | 112,95 | 14,32 | 49,85 | 7,34 | 2,13 | 1,21 | 0 |
| U380x67x4 | 380 | 67 | 67 | 4 | 3 | 500 | 15,68 | 19,97 | 3549,06 | 186,79 | 13,3 | 59,19 | 10,1 | 1,72 | 1,04 | 0 |
| U380x66x3,5 | 380 | 66 | 66 | 3,5 | 3 | 500 | 13,71 | 17,46 | 3099,76 | 163,15 | 13,3 | 50,11 | 8,68 | 1,69 | 1 | 0 |
| U380x65x3 | 380 | 65 | 65 | 3 | 3 | 500 | 11,74 | 14,95 | 2652,04 | 139,58 | 13,3 | 41,53 | 7,29 | 1,66 | 0,96 | 0 |
| U380x64x2,5 | 380 | 64 | 64 | 2,5 | 3 | 500 | 9,78 | 12,45 | 2205,92 | 116,1 | 13,29 | 33,46 | 5,96 | 1,64 | 0,91 | 0 |
| U380x64x2 | 380 | 64 | 64 | 2 | 3 | 500 | 7,85 | 9,99 | 1775,7 | 93,46 | 13,32 | 27,07 | 4,83 | 1,64 | 0,89 | 0 |
| U360x77x4 | 360 | 77 | 77 | 4 | 3 | 500 | 15,68 | 19,97 | 3350,53 | 186,14 | 12,92 | 87,45 | 13,29 | 2,09 | 1,32 | 0 |
| U360x76x3,5 | 360 | 76 | 76 | 3,5 | 3 | 500 | 13,71 | 17,46 | 2927,46 | 162,64 | 12,92 | 74,4 | 11,45 | 2,06 | 1,28 | 0 |
| U360x75x3 | 360 | 75 | 75 | 3 | 3 | 500 | 11,74 | 14,95 | 2505,57 | 139,2 | 12,92 | 61,98 | 9,65 | 2,03 | 1,23 | 0 |
| U360x74x2,5 | 360 | 74 | 74 | 2,5 | 3 | 500 | 9,78 | 12,45 | 2084,87 | 115,83 | 12,92 | 50,19 | 7,92 | 2,01 | 1,19 | 0 |
| U360x74x2 | 360 | 74 | 74 | 2 | 3 | 500 | 7,85 | 9,99 | 1678,2 | 93,23 | 12,95 | 40,54 | 6,4 | 2,01 | 1,17 | 0 |
| U340x87x4 | 340 | 87 | 87 | 4 | 3 | 500 | 15,68 | 19,97 | 3135,18 | 184,42 | 12,5 | 122,32 | 16,85 | 2,47 | 1,64 | 0 |
| U340x86x3,5 | 340 | 86 | 86 | 3,5 | 3 | 500 | 13,71 | 17,46 | 2740,32 | 161,2 | 12,5 | 104,44 | 14,54 | 2,44 | 1,59 | 0 |
| U340x85x3 | 340 | 85 | 85 | 3 | 3 | 500 | 11,74 | 14,95 | 2346,27 | 138,02 | 12,51 | 87,34 | 12,29 | 2,41 | 1,54 | 0 |
| U340x84x2,5 | 340 | 84 | 84 | 2,5 | 3 | 500 | 9,78 | 12,45 | 1953,04 | 114,88 | 12,51 | 71 | 10,1 | 2,39 | 1,5 | 0 |
| U340x84x2 | 340 | 84 | 84 | 2 | 3 | 500 | 7,85 | 9,99 | 1572,09 | 92,48 | 12,53 | 57,29 | 8,16 | 2,39 | 1,48 | 0 |
| U320x97x4 | 320 | 97 | 97 | 4 | 3 | 500 | 15,68 | 19,97 | 2906,21 | 181,64 | 12,03 | 163,85 | 20,74 | 2,86 | 2 | 0 |
| U320x96x3,5 | 320 | 96 | 96 | 3,5 | 3 | 500 | 13,71 | 17,46 | 2541,13 | 158,82 | 12,04 | 140,32 | 17,93 | 2,83 | 1,95 | 0 |
| U320x95x3 | 320 | 95 | 95 | 3 | 3 | 500 | 11,74 | 14,95 | 2176,53 | 136,03 | 12,04 | 117,69 | 15,18 | 2,8 | 1,9 | 0 |
| U320x94x2,5 | 320 | 94 | 94 | 2,5 | 3 | 500 | 9,78 | 12,45 | 1812,43 | 113,28 | 12,05 | 95,96 | 12,5 | 2,77 | 1,85 | 0 |
| U320x94x2 | 320 | 94 | 94 | 2 | 3 | 500 | 7,85 | 9,99 | 1458,96 | 91,19 | 12,07 | 77,37 | 10,08 | 2,78 | 1,83 | 0 |
| U300x64x4 | 300 | 64 | 64 | 4 | 3 | 414 | 12,98 | 16,53 | 1913,27 | 127,55 | 10,73 | 49,49 | 9,04 | 1,73 | 1,13 | 0 |
| U300x64x3,5 | 300 | 64 | 64 | 3,5 | 3 | 414 | 11,4 | 14,52 | 1686,51 | 112,43 | 10,75 | 43,78 | 8 | 1,73 | 1,11 | 0 |
| U300x63x3 | 300 | 63 | 63 | 3 | 3 | 414 | 9,76 | 12,43 | 1443,03 | 96,2 | 10,75 | 36,27 | 6,73 | 1,7 | 1,06 | 0 |
| U300x62x2,5 | 300 | 62 | 62 | 2,5 | 3 | 414 | 8,13 | 10,35 | 1200,37 | 80,02 | 10,75 | 29,2 | 5,5 | 1,68 | 1,01 | 0 |
| U300x61x2 | 300 | 61 | 61 | 2 | 3 | 414 | 6,5 | 8,27 | 958,55 | 63,9 | 10,75 | 22,56 | 4,31 | 1,65 | 0,97 | 0 |
| U300x60x1,5 | 300 | 60 | 60 | 1,5 | 3 | 414 | 4,87 | 6,2 | 717,59 | 47,84 | 10,75 | 16,34 | 3,17 | 1,62 | 0,92 | 0 |
| U280x74x4 | 280 | 74 | 74 | 4 | 3 | 414 | 12,98 | 16,53 | 1765,04 | 126,07 | 10,3 | 73,81 | 12 | 2,11 | 1,45 | 0 |
| U280x74x3,5 | 280 | 74 | 74 | 3,5 | 3 | 414 | 11,4 | 14,52 | 1555,86 | 111,13 | 10,33 | 65,21 | 10,61 | 2,11 | 1,43 | 0 |
| U280x73x3 | 280 | 73 | 73 | 3 | 3 | 414 | 9,76 | 12,43 | 1331,96 | 95,14 | 10,33 | 54,32 | 8,95 | 2,09 | 1,38 | 0 |
| U280x72x2,5 | 280 | 72 | 72 | 2,5 | 3 | 414 | 8,13 | 10,35 | 1108,57 | 79,18 | 10,33 | 43,97 | 7,34 | 2,06 | 1,33 | 0 |
| U280x71x2 | 280 | 71 | 71 | 2 | 3 | 414 | 6,5 | 8,27 | 885,72 | 63,27 | 10,34 | 34,16 | 5,77 | 2,03 | 1,28 | 0 |
| U260x84x4 | 260 | 84 | 84 | 4 | 3 | 414 | 12,98 | 16,53 | 1605,9 | 123,53 | 9,83 | 103,65 | 15,28 | 2,5 | 1,82 | 0 |
| U260x83x3 | 260 | 83 | 83 | 3 | 3 | 414 | 9,76 | 12,43 | 1212,61 | 93,28 | 9,86 | 76,51 | 11,41 | 2,48 | 1,75 | 0 |
| U260x82x2,5 | 260 | 82 | 82 | 2,5 | 3 | 414 | 8,13 | 10,35 | 1009,79 | 77,68 | 9,86 | 62,19 | 9,38 | 2,45 | 1,7 | 0 |
| U260x81x2 | 260 | 81 | 81 | 2 | 3 | 414 | 6,5 | 8,27 | 807,24 | 62,1 | 9,87 | 48,51 | 7,4 | 2,42 | 1,64 | 0 |
| U260x80x1,5 | 260 | 80 | 80 | 1,5 | 3 | 414 | 4,87 | 6,2 | 604,97 | 46,54 | 9,87 | 35,47 | 5,47 | 2,39 | 1,59 | 0 |
| U240x87x4 | 240 | 87 | 87 | 4 | 3 | 400 | 12,54 | 15,97 | 1361,08 | 113,42 | 9,2 | 111,9 | 16,22 | 2,64 | 2 | 0 |
| U240x86x3,5 | 240 | 86 | 86 | 3,5 | 3 | 400 | 10,96 | 13,96 | 1190,48 | 99,21 | 9,21 | 95,62 | 14 | 2,61 | 1,95 | 0 |
| U240x85x3 | 240 | 85 | 85 | 3 | 3 | 400 | 9,38 | 11,95 | 1019,99 | 85 | 9,22 | 80,03 | 11,84 | 2,58 | 1,89 | 0 |
| U240x84x2,5 | 240 | 84 | 84 | 2,5 | 3 | 400 | 7,81 | 9,95 | 849,62 | 70,8 | 9,23 | 65,1 | 9,74 | 2,55 | 1,84 | 0 |
| U240x84x2 | 240 | 84 | 84 | 2 | 3 | 400 | 6,28 | 7,99 | 685,04 | 57,09 | 9,25 | 52,55 | 7,87 | 2,56 | 1,82 | 0 |
| U240x83x1,5 | 240 | 83 | 83 | 1,5 | 3 | 400 | 4,7 | 5,99 | 513,55 | 42,8 | 9,25 | 38,47 | 5,82 | 2,53 | 1,77 | 0 |
| U220x97x4 | 220 | 97 | 97 | 4 | 3 | 400 | 12,54 | 15,97 | 1202,39 | 109,31 | 8,65 | 147,63 | 19,81 | 3,03 | 2,45 | 0 |
| U220x96x3,5 | 220 | 96 | 96 | 3,5 | 3 | 400 | 10,96 | 13,96 | 1052,33 | 95,67 | 8,66 | 126,53 | 17,14 | 3 | 2,39 | 0 |
| U220x95x3 | 220 | 95 | 95 | 3 | 3 | 400 | 9,38 | 11,95 | 902,19 | 82,02 | 8,67 | 106,21 | 14,52 | 2,98 | 2,34 | 0 |
| U220x94x2,5 | 220 | 94 | 94 | 2,5 | 3 | 400 | 7,81 | 9,95 | 751,97 | 68,36 | 8,68 | 86,67 | 11,96 | 2,95 | 2,28 | 0 |
| U220x94x2 | 220 | 94 | 94 | 2 | 3 | 400 | 6,28 | 7,99 | 606,43 | 55,13 | 8,7 | 69,9 | 9,65 | 2,95 | 2,26 | 0 |
| U200x94x4 | 200 | 94 | 94 | 4 | 3 | 375 | 11,72 | 14,93 | 941,38 | 94,14 | 7,92 | 131,47 | 18,39 | 2,96 | 2,45 | 0 |
| U200x94x3,5 | 200 | 94 | 94 | 3,5 | 3 | 375 | 10,3 | 13,12 | 830,85 | 83,09 | 7,94 | 115,98 | 16,24 | 2,97 | 2,43 | 0 |
| U200x93x3 | 200 | 93 | 93 | 3 | 3 | 375 | 8,82 | 11,23 | 712,5 | 71,25 | 7,95 | 97,33 | 13,76 | 2,94 | 2,38 | 0 |
| U200x92x2,5 | 200 | 92 | 92 | 2,5 | 3 | 375 | 7,34 | 9,35 | 594,03 | 59,4 | 7,96 | 79,4 | 11,33 | 2,91 | 2,32 | 0 |
| U200x91x2 | 200 | 91 | 91 | 2 | 3 | 375 | 5,87 | 7,47 | 475,43 | 47,54 | 7,97 | 62,17 | 8,96 | 2,88 | 2,26 | 0 |
| U200x90x1,5 | 200 | 90 | 90 | 1,5 | 3 | 375 | 4,4 | 5,6 | 356,72 | 35,67 | 7,98 | 45,63 | 6,64 | 2,85 | 2,21 | 0 |
| U180x84x4 | 180 | 84 | 84 | 4 | 3 | 333 | 10,47 | 13,33 | 676,46 | 75,16 | 7,1 | 93,24 | 14,58 | 2,64 | 2,2 | 0 |
| U180x82x3 | 180 | 82 | 82 | 3 | 3 | 333 | 7,83 | 9,97 | 507,82 | 56,42 | 7,12 | 66,65 | 10,65 | 2,58 | 2,09 | 0 |
| U180x81x2,5 | 180 | 81 | 81 | 2,5 | 3 | 333 | 6,52 | 8,3 | 423,36 | 47,04 | 7,13 | 54,21 | 8,75 | 2,55 | 2,03 | 0 |
| U180x81x2 | 180 | 81 | 81 | 2 | 3 | 333 | 5,24 | 6,67 | 341,98 | 38 | 7,15 | 43,78 | 7,08 | 2,56 | 2,01 | 0 |
| U180x80x1,5 | 180 | 80 | 80 | 1,5 | 3 | 333 | 3,93 | 5 | 256,59 | 28,51 | 7,16 | 32,04 | 5,24 | 2,53 | 1,96 | 0 |
| U160x94x4 | 160 | 94 | 94 | 4 | 3 | 333 | 10,47 | 13,33 | 563,93 | 70,49 | 6,48 | 122,36 | 17,79 | 3,02 | 2,72 | 0 |
| U160x93x3,5 | 160 | 93 | 93 | 3,5 | 3 | 333 | 9,15 | 11,65 | 494,17 | 61,77 | 6,49 | 104,87 | 15,39 | 2,99 | 2,66 | 0 |
| U160x92x3 | 160 | 92 | 92 | 3 | 3 | 333 | 7,83 | 9,97 | 424,19 | 53,02 | 6,51 | 88,03 | 13,05 | 2,96 | 2,6 | 0 |
| U160x91x2,5 | 160 | 91 | 91 | 2,5 | 3 | 333 | 6,52 | 8,3 | 354 | 44,25 | 6,52 | 71,83 | 10,75 | 2,94 | 2,54 | 0 |
| U160x91x2 | 160 | 91 | 91 | 2 | 3 | 333 | 5,24 | 6,67 | 286,09 | 35,76 | 6,54 | 57,97 | 8,68 | 2,94 | 2,52 | 0 |
| U160x90x1,5 | 160 | 90 | 90 | 1,5 | 3 | 333 | 3,93 | 5 | 214,87 | 26,86 | 6,55 | 42,57 | 6,44 | 2,92 | 2,46 | 0 |
| U150x80x3 | 150 | 80 | 80 | 3 | 3 | 300 | 7,03 | 8,95 | 327,57 | 43,68 | 6,03 | 58,81 | 9,89 | 2,56 | 2,2 | 0 |
| U150x79x2,5 | 150 | 79 | 79 | 2,5 | 3 | 300 | 5,85 | 7,45 | 273,3 | 36,44 | 6,04 | 47,82 | 8,13 | 2,53 | 2,15 | 0 |
| U150x79x2 | 150 | 79 | 79 | 2 | 3 | 300 | 4,71 | 5,99 | 221,08 | 29,48 | 6,06 | 38,64 | 6,58 | 2,54 | 2,13 | 0 |
| U150x78x1,5 | 150 | 78 | 78 | 1,5 | 3 | 300 | 3,53 | 4,49 | 166,01 | 22,13 | 6,08 | 28,28 | 4,87 | 2,51 | 2,07 | 0 |
| U140x60x3 | 140 | 60 | 60 | 3 | 3 | 250 | 5,85 | 7,45 | 223,51 | 31,93 | 5,46 | 26,01 | 5,62 | 1,86 | 1,52 | 0 |
| U140x59x2,5 | 140 | 59 | 59 | 2,5 | 3 | 250 | 4,87 | 6,2 | 186,29 | 26,61 | 5,47 | 20,96 | 4,59 | 1,83 | 1,46 | 0 |
| U140x59x2 | 140 | 59 | 59 | 2 | 3 | 250 | 3,92 | 4,99 | 150,95 | 21,56 | 5,49 | 16,98 | 3,73 | 1,84 | 1,44 | 0 |
| U140x58x1,5 | 140 | 58 | 58 | 1,5 | 3 | 250 | 2,94 | 3,74 | 113,23 | 16,18 | 5,5 | 12,31 | 2,74 | 1,81 | 1,39 | 0 |
| U140x57x1 | 140 | 57 | 57 | 1 | 3 | 250 | 1,96 | 2,49 | 75,49 | 10,78 | 5,51 | 7,93 | 1,8 | 1,78 | 1,33 | 0 |
| U120x70x3 | 120 | 70 | 70 | 3 | 3 | 250 | 5,85 | 7,45 | 176,71 | 29,45 | 4,85 | 37,89 | 7,39 | 2,25 | 2,03 | 0 |
| U120x69x2,5 | 120 | 69 | 69 | 2,5 | 3 | 250 | 4,87 | 6,2 | 147,54 | 24,59 | 4,87 | 30,71 | 6,07 | 2,22 | 1,97 | 0 |
| U120x69x2 | 120 | 69 | 69 | 2 | 3 | 250 | 3,92 | 4,99 | 119,65 | 19,94 | 4,89 | 24,85 | 4,92 | 2,23 | 1,95 | 0 |
| U120x68x1,5 | 120 | 68 | 68 | 1,5 | 3 | 250 | 2,94 | 3,74 | 89,91 | 14,98 | 4,9 | 18,13 | 3,63 | 2,2 | 1,89 | 0 |
| U120x67x1,2 | 120 | 67 | 67 | 1,2 | 3 | 250 | 2,34 | 2,98 | 71,67 | 11,94 | 4,9 | 14,03 | 2,85 | 2,17 | 1,84 | 0 |
| U100x54x2,5 | 100 | 54 | 54 | 2,5 | 3 | 200 | 3,89 | 4,95 | 79,8 | 15,96 | 4 | 14,76 | 3,69 | 1,72 | 1,52 | 0 |
| U100x54x2 | 100 | 54 | 54 | 2 | 3 | 200 | 3,14 | 3,99 | 64,91 | 12,98 | 4,02 | 11,98 | 3 | 1,73 | 1,5 | 0 |
| U100x53x1,5 | 100 | 53 | 53 | 1,5 | 3 | 200 | 2,35 | 2,99 | 48,77 | 9,75 | 4,03 | 8,66 | 2,2 | 1,7 | 1,44 | 0 |
| U100x52x1,2 | 100 | 52 | 52 | 1,2 | 3 | 200 | 1,87 | 2,38 | 38,83 | 7,77 | 4,04 | 6,64 | 1,72 | 1,67 | 1,39 | 0 |
| U100x52x1 | 100 | 52 | 52 | 1 | 3 | 200 | 1,56 | 1,99 | 32,57 | 6,51 | 4,05 | 5,57 | 1,44 | 1,67 | 1,38 | 0 |
| Profil | mm | mm | mm | mm | mm | mm | kg/m | cm2 | lx(cm4) | Sx(cm3) | rx(cm) | ly(cm4) | Sy(cm3) | ry(cm) | ex(cm) | ey(cm) |
| H | A | B | T | Radius | ~Açılım | Ağırlık | Alan | Kuvvetli Eksen (x-x) | Zayıf Eksen (y-y) | Ağırlık Merkezi | ||||||
- İstenilen ara ölçülerde de üretim yapılabilmektedir.
- Çelik cinsi ve yüke göre etkin kesit hesabı yapılması önerilir.
- Gelen yüke, mesnet durumuna ve çelik cinsine göre etkin atalet, mukavemet ve kesit değerleri değişmektedir.
- Tüm hesaplamalar ağırlık merkezine göre yapılmıştır.
- A, B, ve C farklı ölçülerde üretilebilmektedir.
U Profil Modelleri ve Fiyatları
U Profil birçok sektörde farklı amaçlar için kullanılan ürünlerin başında gelir. Bu modeller birçok alanda çalışan kullanıcıların tüm gereksinimlerini karşılar.
U Profil Nedir?
U profil, genellikle çelik malzemelerden üretilen yapısal bir malzemedir. U şeklinde olduğu için bu isimle anılır. U profiller çeşitli yapılarda taşıma, destek gibi görevlerde yüksek performans sergiler. Bu profiller; yapıların desteklenmesi, kaplama malzemelerinin montajı gibi işlerde sıklıkla tercih edilir. U profil modelleri, ihtiyaçlar dahilinde çeşitli boy ve ölçülerde tasarlanır.
U Profil Çeşitleri
U profil, farklı özelliklere sahip çeşitleriyle birçok alanda kullanılır. Bu amaçla tasarımı yapılıp çizilen projelere göre kaplama ya da mekaniksel tercihlerde bulunulabilinir. Ayrıca profilin kullanılacağı projeye göre hammadde tercihi, korozyona karşı galvaniz kaplama da tercih edilebilir. Galvaniz U profil, korozyon direnci yüksek sağlam yapısıyla ön plana çıkar. Uzun ömürlü olan galvaniz U profil, endüstriyel alanda ve dış mekan uygulamalarında yaygın olarak tercih edilir.
Galvanizli U Profil
Galvanizli U Profiller, dayanıklı ve uzun ömürlü yapılarıyla inşaat ve endüstriyel projelerde sıkça tercih edilmektedir. Yüksek kaliteli galvaniz kaplaması sayesinde paslanmaya karşı üstün koruma sağlar, bu da onu zorlu hava koşullarında bile güvenilir kılar. Farklı ebat ve kalınlıklarda temin edilebilen bu profiller, montaj kolaylığı ve mukavemet açısından projelerinizde ideal bir seçimdir.
U Profilin Özellikleri
U profiller, kullanıcılara avantaj sunan birçok özelliğe sahiptir. Bu özellikler şu şekilde sıralanabilir:
- Yüksek taşıma kapasitesi sayesinde birçok projede güvenilir bir performans vadeder.
- U profiller; üretim, sevkiyat ve montaj gibi birtakım kolaylıklar sağlar. Bu özellikleri ile hızlı ve daha ekonomik bir kullanım sunar.
- U profiller, özellikle deprem ve doğal afetlere karşı yapı sistemlerini korumak için uygun yapı sistemleridir.
- Parça ekleme ve çıkarma kolaylığı sayesinde ergonomik bir çözüm sunar.
- Geri dönüştürülmüş malzeme içeriğine sahip olan U profiller; çevre dostu özelliğe sahiptir.
U Profil Nasıl Takılır?
U profil montajı, çeşitlerine göre ufak farklılıklar gösterebilir. İlk olarak, profillerin düzgün yerleştirilmesi için yüzeylerin temiz olması gerekir. Ürünlerin monte edileceği alanlarda, uygun dübel kullanımı, vidaların montajı için önemlidir. Montaj sırasında matkap, vida, dübel, su terazisi gibi malzemeler olmalıdır.
U Profilin Kullanım Alanları
U profil çeşitleri inşaat, otomotiv, elektrik elektronik, metal, çelik yapı, hafif çelik yapı, enerji gibi daha birçok sektörde kullanılır. Kullanım amacına göre U profilin kaplama ya da sertlik derecesi değişir. U profiller endüstriyel yapılarda ve bina otomasyonlarında taşıyıcı ya da yardımcı eleman olarak görev yapar. Ayrıca depolar, barınaklar, hangarlar gibi endüstriyel türde olmayan çelik yapılarda da taşıyıcı kolon, kiriş ve çatı olarak tercih edilebilir.
U Profilin Bakımı ve Korunması
U profillerin korunması ve bakımı, hem güvenlik hem de malzemenin ömrünü uzatmak açısından önemlidir. Çelik malzemelerin en büyük düşmanı paslanmadır. Paslanmayı önlemek için çeşitli koruyucu kaplamalar kullanılabilir. Boya ya da diğer koruyucu kaplamalar, çeliği su ve oksijenden izole ederek korozyonu maksimum seviyede önler. Galvanizleme işlemi ise çeliği bir çinko kaplama ile kaplamak anlamına gelir. Çinko, çeliği oksijen ve suya karşı koruyarak paslanmayı önler. Tüm profiller, belli aralıklarla düzenli olarak kontrol edilmeli ve gerekiyorsa bakımı yapılmalıdır. Düzenli bakım işlemi, olası korozyon belirtilerini erken tespit ederek gerekli müdahalenin yapılmasını sağlar.
U Profil Fiyatları
U profil fiyatları birçok faktöre bağlı olarak değişkenlik gösterebilir. Bunların en başında ürünlerin malzeme içeriği gelir.
Siz de Hekim Profil’de yer alan ürün seçeneklerini inceleyebilirsiniz. Hekim Profil, üstün teknolojiye ait üretim hatları sayesinde proje detaylarına göre istenilen ölçü ve eksende U profilleri sizin için üretir. Delik delme, çapaksız kesim, profiller üzerine mürekkep püskürtmeli markalama, kişi ve kurumlara özel paketleme gibi hizmetleriyle ihtiyaçlarınızı en detaylı şekilde karşılar.

