C Plus Profil
CPlus Profil Kesiti
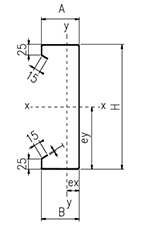
- H Yükseklik
- A Üst kenar yüksekliği
- B Alt kenar yüksekliği
- T Kalınlık
- (mm)
- H 100-400
- A 85-100
- B 85-100
- T 1.00-4.00
C Plus profiller üstün teknolojiye sahip üretim hatları ile proje detaylarına göre talep edilen ölçü ve eksende delik delme, çapaksız kesim, profiller üzerine mürekkep püskürtmeli markalama, kişi ve kurumlara özel paketlemeler ile talep edilen boy ve ölçülerde üretilmektedir. Bilgisayar kontrollü, tam otomatik ve yüksek kapasiteye sahip makinelerimize yüklenen profillerin 3 boyutlu çizimleri sayesinde profillerin tüm noktalarına delik açılabilmektedir. Max. 16000 mm boyda, max. 4,00 mm – st52 sertlikte, max. 400mm web ölçüsünde ve max. 100 mm flanş ölçülerinde üretilebilmektedir.
C Plus profil ürünleri inşaat, çelik yapı, hafif çelik yapı, otomotiv, elektrik-elektronik, metal eşya, enerji, v.b. sektörlerindeki endüstriyel yapılarda ve çelik binalarda taşıyıcı ya da yardımcı eleman olarak tercih edilmektedir. Bu profiller; CPlus profil, CPlus aşık profili, CPlus kuşak profili, çatı profili, cephe profili, hafif çelik yapı profili, çelik konstrüksiyon profili, ağır çelik bina profili, delikli CPlus profili, çekme CPlus profili, Özel imalar yapı profili, çelik bina profili, prefabrik yapı profili, özel imalat CPlus profili, prefabrike bina profili, karkas profili, makas profili, çelik çatı profili v.b. isimler altında kullanılmaktadır.
C Plus profiller aşırı yüklere maruz kalan ağır çelik endüstriyel yapılarda yardımcı ürün olarak aşık, kuşak ve cephe profili. Hafif çelik binalar, depolar, hangarlar ve hayvan barınakları gibi endüstriyel olmayan çelik yapılarda taşıyıcı kolon, kiriş ve çatı makası olarak kullanılmaktadır.
Tasarlanan ve çizilen projelere uygun olarak malzeme özelliklerinde kaplama ve mekaniksel tercihler yapılabilir. Malzemelerin özellikleri gelen yüklere göre sert ya da yumuşak olarak, korozyona karşı dayanımı da galvaniz kaplama kalınlığı veya sıcak sac üzeri boya şeklinde tercih edilebilir.
C Plus profiller çok yüksek taşıma kapasitelerine sahip olması nedeni ile; ağır çelik malzemelerle üretilmiş yapılara nazaran %40′ a varan malzeme ve fiyat avantajı sağlamaktadır. Bununla birlikte üretim, temin, sevkiyat ve montaj kolaylığı sağladığı için çelik bina yapımlarını daha güvenilir, hızlı ve ekonomik hale getirmiştir.
C Plus profiller çatılarda, kirişlerde ya da kolonlarda parça kopmaları yaşanmadığı için daha güvenilir ve tercih edilen bir sistemdir. Gelişmiş ülkelerin vazgeçilmezi olan çelik konstrüksiyon yapı sistemleri özellikle deprem ve doğal afet kuşağında bulunan ülkeler içinde en uygun yapı sistemidir. Bunun dışında taşıma, parça ekleme ve çıkarma kolaylığı, çevre dostu ve geri dönüşümlü malzemeler olması sebebi ile daha sık tercih edilmektedir.
Çift tırnak: 25+15 (Not: Sabit ve simetrik ölçüleridir.)
90° köșelerdeki büküm yarıçapı: min. 3.00 mm
Tüm ebatlar TS EN 1993-1-3 standartına uygundur.
Malzeme: S390GD + Z / S350GD+Z / DX51D+Z / S235 JR / S355
CPlus Profil Teknik Detay Tablosu
| H | A | B | C | D | T | Radius | ~Açılım | Ağırlık | Alan | Kuvvetli Eksen (x-x) | Zayıf Eksen (y-y) | Ağırlık Merkezi | ||||||
| Profil | mm | mm | mm | mm | mm | mm | mm | mm | kg/m | cm2 | lx(cm4) | Sx(cm3) | rx(cm) | ly(cm4) | Sy(cm3) | ry(cm) | ex(cm) | ey(cm) |
| C+400-94x25x15x4 | 400 | 94 | 94 | 25 | 15 | 4 | 3 | 625 | 19,67 | 25,06 | 5671,56 | 283,58 | 14,93 | 272,74 | 38,72 | 3,27 | 2,36 | 0 |
| C+400-92x25x15x3,5 | 400 | 92 | 92 | 25 | 15 | 3,5 | 3 | 625 | 17,21 | 21,93 | 4954,7 | 247,74 | 14,93 | 231,63 | 33,55 | 3,23 | 2,3 | 0 |
| C+400-90x25x15x3 | 400 | 90 | 90 | 25 | 15 | 3 | 3 | 625 | 14,76 | 18,8 | 4239,98 | 212 | 14,93 | 192,58 | 28,48 | 3,18 | 2,24 | 0 |
| C+400-88x25x15x2,5 | 400 | 88 | 88 | 25 | 15 | 2,5 | 3 | 625 | 12,3 | 15,67 | 3527,46 | 176,37 | 14,92 | 155,58 | 23,49 | 3,13 | 2,18 | 0 |
| C+400-87x25x15x2 | 400 | 87 | 87 | 25 | 15 | 2 | 3 | 625 | 9,87 | 12,58 | 2832,99 | 141,65 | 14,94 | 123,91 | 18,91 | 3,12 | 2,15 | 0 |
| C+380-92x25x15x4 | 380 | 92 | 92 | 25 | 15 | 4 | 3 | 600 | 18,92 | 24,1 | 4954,99 | 260,79 | 14,23 | 255,07 | 37,3 | 3,23 | 2,36 | 0 |
| C+380-90x25x15x3,5 | 380 | 90 | 90 | 25 | 15 | 3,5 | 3 | 600 | 16,55 | 21,09 | 4328,5 | 227,82 | 14,22 | 216,46 | 32,31 | 3,18 | 2,3 | 0 |
| C+380-88x25x15x3 | 380 | 88 | 88 | 25 | 15 | 3 | 3 | 600 | 14,19 | 18,08 | 3703,92 | 194,94 | 14,22 | 179,84 | 27,42 | 3,13 | 2,24 | 0 |
| C+380-86x25x15x2,5 | 380 | 86 | 86 | 25 | 15 | 2,5 | 3 | 600 | 11,83 | 15,07 | 3081,32 | 162,17 | 14,22 | 145,16 | 22,61 | 3,09 | 2,18 | 0 |
| C+380-85x25x15x2 | 380 | 85 | 85 | 25 | 15 | 2 | 3 | 600 | 9,5 | 12,1 | 2474,99 | 130,26 | 14,23 | 115,58 | 18,21 | 3,08 | 2,15 | 0 |
| C+360-100x25x15x3,5 | 360 | 100 | 100 | 25 | 15 | 3,5 | 3 | 600 | 16,55 | 21,09 | 4022,52 | 223,47 | 13,71 | 275,44 | 37,77 | 3,59 | 2,71 | 0 |
| C+360-98x25x15x3 | 360 | 98 | 98 | 25 | 15 | 3 | 3 | 600 | 14,19 | 18,08 | 3442,95 | 191,28 | 13,71 | 229,69 | 32,11 | 3,54 | 2,65 | 0 |
| C+360-96x25x15x2,5 | 360 | 96 | 96 | 25 | 15 | 2,5 | 3 | 600 | 11,83 | 15,07 | 2864,92 | 159,16 | 13,71 | 186,13 | 26,53 | 3,49 | 2,58 | 0 |
| C+360-93x25x15x2 | 360 | 93 | 93 | 25 | 15 | 2 | 3 | 600 | 9,43 | 12,02 | 2275,65 | 126,42 | 13,69 | 141,03 | 20,7 | 3,41 | 2,49 | 0 |
| C+320-97x25x15x4 | 320 | 97 | 97 | 25 | 15 | 4 | 3 | 550 | 17,35 | 22,1 | 3380,7 | 211,29 | 12,26 | 276,05 | 39,85 | 3,5 | 2,77 | 0 |
| C+320-95x25x15x3,5 | 320 | 95 | 95 | 25 | 15 | 3,5 | 3 | 550 | 15,18 | 19,34 | 2953,73 | 184,61 | 12,26 | 234,74 | 34,56 | 3,46 | 2,71 | 0 |
| C+320-93x25x15x3 | 320 | 93 | 93 | 25 | 15 | 3 | 3 | 550 | 13,01 | 16,58 | 2527,92 | 158 | 12,26 | 195,43 | 29,36 | 3,41 | 2,64 | 0 |
| C+320-91x25x15x2,5 | 320 | 91 | 91 | 25 | 15 | 2,5 | 3 | 550 | 10,85 | 13,82 | 2103,31 | 131,46 | 12,26 | 158,09 | 24,24 | 3,36 | 2,58 | 0 |
| C+320-88x25x15x2 | 320 | 88 | 88 | 25 | 15 | 2 | 3 | 550 | 8,65 | 11,02 | 1669,8 | 104,36 | 12,24 | 119,41 | 18,89 | 3,27 | 2,48 | 0 |
| C+280-92x25x15x4 | 280 | 92 | 92 | 25 | 15 | 4 | 3 | 500 | 15,78 | 20,1 | 2388,21 | 170,59 | 10,8 | 232,68 | 36,27 | 3,37 | 2,78 | 0 |
| C+280-90x25x15x3,5 | 280 | 90 | 90 | 25 | 15 | 3,5 | 3 | 500 | 13,81 | 17,59 | 2086,4 | 149,03 | 10,8 | 197,51 | 31,44 | 3,32 | 2,72 | 0 |
| C+280-88x25x15x3 | 280 | 88 | 88 | 25 | 15 | 3 | 3 | 500 | 11,84 | 15,08 | 1785,45 | 127,53 | 10,8 | 164,13 | 26,69 | 3,27 | 2,65 | 0 |
| C+280-86x25x15x2,5 | 280 | 86 | 86 | 25 | 15 | 2,5 | 3 | 500 | 9,87 | 12,57 | 1485,32 | 106,09 | 10,8 | 132,45 | 22,02 | 3,22 | 2,58 | 0 |
| C+280-85x25x15x2 | 280 | 85 | 85 | 25 | 15 | 2 | 3 | 500 | 7,93 | 10,1 | 1193,91 | 85,28 | 10,81 | 105,47 | 17,73 | 3,21 | 2,55 | 0 |
| C+260-100x25x15x3,5 | 260 | 100 | 100 | 25 | 15 | 3,5 | 3 | 500 | 13,81 | 17,59 | 1866,09 | 143,55 | 10,21 | 248,55 | 36,57 | 3,73 | 3,2 | 0 |
| C+260-98x25x15x3 | 260 | 98 | 98 | 25 | 15 | 3 | 3 | 500 | 11,84 | 15,08 | 1597,52 | 122,89 | 10,21 | 207,32 | 31,11 | 3,68 | 3,14 | 0 |
| C+260-96x25x15x2,5 | 260 | 96 | 96 | 25 | 15 | 2,5 | 3 | 500 | 9,87 | 12,57 | 1329,48 | 102,27 | 10,22 | 167,97 | 25,71 | 3,63 | 3,07 | 0 |
| C+260-93x25x15x2 | 260 | 93 | 93 | 25 | 15 | 2 | 3 | 500 | 7,86 | 10,02 | 1055,46 | 81,19 | 10,2 | 127,33 | 20,08 | 3,54 | 2,96 | 0 |
| C+260-90x25x15x1,5 | 260 | 90 | 90 | 25 | 15 | 1,5 | 3 | 500 | 5,88 | 7,49 | 785,52 | 60,42 | 10,19 | 90,44 | 14,71 | 3,46 | 2,85 | 0 |
| C+250-98x25x15x2 | 250 | 98 | 98 | 25 | 15 | 2 | 3 | 500 | 7,86 | 10,02 | 993,73 | 79,5 | 9,9 | 142,22 | 21,59 | 3,75 | 3,21 | 0 |
| C+250-95x25x15x1,5 | 250 | 95 | 95 | 25 | 15 | 1,5 | 3 | 500 | 5,88 | 7,49 | 739,82 | 59,19 | 9,89 | 101,32 | 15,84 | 3,66 | 3,1 | 0 |
| C+240-87x25x15x4 | 240 | 87 | 87 | 25 | 15 | 4 | 3 | 450 | 14,21 | 18,1 | 1603,73 | 133,64 | 9,32 | 193,07 | 32,77 | 3,23 | 2,81 | 0 |
| C+240-85x25x15x3,5 | 240 | 85 | 85 | 25 | 15 | 3,5 | 3 | 450 | 12,43 | 15,84 | 1400,93 | 116,74 | 9,32 | 163,55 | 28,39 | 3,18 | 2,74 | 0 |
| C+230-92x25x15x4 | 230 | 92 | 92 | 25 | 15 | 4 | 3 | 450 | 14,21 | 18,1 | 1501,34 | 130,55 | 9,01 | 217,85 | 35,5 | 3,43 | 3,06 | 0 |
| C+230-90x25x15x3,5 | 230 | 90 | 90 | 25 | 15 | 3,5 | 3 | 450 | 12,43 | 15,84 | 1311,8 | 114,07 | 9,01 | 184,95 | 30,79 | 3,39 | 2,99 | 0 |
| C+230-88x25x15x3 | 230 | 88 | 88 | 25 | 15 | 3 | 3 | 450 | 10,66 | 13,58 | 1122,73 | 97,63 | 9,02 | 153,72 | 26,15 | 3,34 | 2,92 | 0 |
| C+230-86x25x15x2,5 | 230 | 86 | 86 | 25 | 15 | 2,5 | 3 | 450 | 8,88 | 11,32 | 934,09 | 81,23 | 9,02 | 124,06 | 21,58 | 3,29 | 2,85 | 0 |
| C+220-97x25x15x4 | 220 | 97 | 97 | 25 | 15 | 4 | 3 | 450 | 14,21 | 18,1 | 1399,15 | 127,2 | 8,7 | 243,8 | 38,27 | 3,63 | 3,33 | 0 |
| C+220-93x25x15x3 | 220 | 93 | 93 | 25 | 15 | 3 | 3 | 450 | 10,66 | 13,58 | 1046,82 | 95,17 | 8,71 | 172,7 | 28,24 | 3,54 | 3,19 | 0 |
| C+220-91x25x15x2,5 | 220 | 91 | 91 | 25 | 15 | 2,5 | 3 | 450 | 8,88 | 11,32 | 871,15 | 79,2 | 8,71 | 139,68 | 23,33 | 3,49 | 3,11 | 0 |
| C+220-88x25x15x2 | 220 | 88 | 88 | 25 | 15 | 2 | 3 | 450 | 7,08 | 9,02 | 691,18 | 62,83 | 8,7 | 105,56 | 18,2 | 3,4 | 3 | 0 |
| C+220-87x25x15x1,5 | 220 | 87 | 87 | 25 | 15 | 1,5 | 3 | 450 | 5,34 | 6,8 | 521,26 | 47,39 | 8,71 | 78,91 | 13,77 | 3,39 | 2,97 | 0 |
| C+220-85x25x15x1,2 | 220 | 85 | 85 | 25 | 15 | 1,2 | 3 | 450 | 4,26 | 5,42 | 414,34 | 37,67 | 8,7 | 60,62 | 10,81 | 3,33 | 2,89 | 0 |
| C+200-89x25x15x4 | 200 | 89 | 89 | 25 | 15 | 4 | 3 | 414 | 13,08 | 16,66 | 1058,66 | 105,87 | 7,88 | 191,35 | 33,21 | 3,35 | 3,14 | 0 |
| C+200-87x25x15x3,5 | 200 | 87 | 87 | 25 | 15 | 3,5 | 3 | 414 | 11,44 | 14,58 | 925,03 | 92,5 | 7,88 | 162,27 | 28,8 | 3,3 | 3,07 | 0 |
| C+200-85x25x15x3 | 200 | 85 | 85 | 25 | 15 | 3 | 3 | 414 | 9,81 | 12,5 | 791,71 | 79,17 | 7,89 | 134,71 | 24,46 | 3,25 | 2,99 | 0 |
| C+190-94x25x15x4 | 190 | 94 | 94 | 25 | 15 | 4 | 3 | 414 | 13,08 | 16,66 | 973,22 | 102,44 | 7,56 | 214,32 | 35,83 | 3,55 | 3,42 | 0 |
| C+190-92x25x15x3,5 | 190 | 92 | 92 | 25 | 15 | 3,5 | 3 | 414 | 11,44 | 14,58 | 850,63 | 89,54 | 7,56 | 182,12 | 31,11 | 3,5 | 3,35 | 0 |
| C+190-90x25x15x3 | 190 | 90 | 90 | 25 | 15 | 3 | 3 | 414 | 9,81 | 12,5 | 728,26 | 76,66 | 7,56 | 151,51 | 26,44 | 3,45 | 3,27 | 0 |
| C+190-88x25x15x2,5 | 190 | 88 | 88 | 25 | 15 | 2,5 | 3 | 414 | 8,18 | 10,42 | 606,07 | 63,8 | 7,56 | 122,4 | 21,84 | 3,4 | 3,2 | 0 |
| C+190-86x25x15x2 | 190 | 86 | 86 | 25 | 15 | 2 | 3 | 414 | 6,54 | 8,34 | 484,18 | 50,97 | 7,57 | 94,88 | 17,31 | 3,35 | 3,12 | 0 |
| C+180-99x25x15x4 | 180 | 99 | 99 | 25 | 15 | 4 | 3 | 414 | 13,08 | 16,66 | 888,86 | 98,76 | 7,22 | 238,08 | 38,48 | 3,74 | 3,71 | 0 |
| C+180-97x25x15x3,5 | 180 | 97 | 97 | 25 | 15 | 3,5 | 3 | 414 | 11,44 | 14,58 | 777,16 | 86,35 | 7,23 | 202,69 | 33,42 | 3,69 | 3,64 | 0 |
| C+180-95x25x15x3 | 180 | 95 | 95 | 25 | 15 | 3 | 3 | 414 | 9,81 | 12,5 | 665,57 | 73,95 | 7,23 | 168,94 | 28,44 | 3,64 | 3,56 | 0 |
| C+180-94x25x15x2,5 | 180 | 94 | 94 | 25 | 15 | 2,5 | 3 | 414 | 8,22 | 10,47 | 558,01 | 62 | 7,24 | 140,27 | 23,88 | 3,63 | 3,53 | 0 |
| C+180-91x25x15x2 | 180 | 91 | 91 | 25 | 15 | 2 | 3 | 414 | 6,54 | 8,34 | 442,83 | 49,2 | 7,24 | 106,28 | 18,67 | 3,55 | 3,41 | 0 |
| C+180-90x25x15x1,5 | 180 | 90 | 90 | 25 | 15 | 1,5 | 3 | 414 | 4,94 | 6,29 | 334,19 | 37,13 | 7,25 | 79,45 | 14,12 | 3,53 | 3,37 | 0 |
| C+180-89x25x15x1,2 | 180 | 89 | 89 | 25 | 15 | 1,2 | 3 | 414 | 3,95 | 5,04 | 267,56 | 29,73 | 7,25 | 62,76 | 11,28 | 3,51 | 3,34 | 0 |
| C+180-86x25x15x1 | 180 | 86 | 86 | 25 | 15 | 1 | 3 | 414 | 3,26 | 4,16 | 219,34 | 24,37 | 7,23 | 48,74 | 9,04 | 3,41 | 3,21 | 0 |
| C+170-100x25x15x3 | 170 | 100 | 100 | 25 | 15 | 3 | 3 | 414 | 9,81 | 12,5 | 603,94 | 71,05 | 6,89 | 186,88 | 30,45 | 3,83 | 3,86 | 0 |
| C+170-98x25x15x2,5 | 170 | 98 | 98 | 25 | 15 | 2,5 | 3 | 414 | 8,18 | 10,42 | 502,94 | 59,17 | 6,89 | 151,56 | 25,2 | 3,78 | 3,79 | 0 |
| C+170-96x25x15x2 | 170 | 96 | 96 | 25 | 15 | 2 | 3 | 414 | 6,54 | 8,34 | 402,14 | 47,31 | 6,9 | 118,03 | 20,03 | 3,74 | 3,71 | 0 |
| C+170-92x25x15x1,2 | 170 | 92 | 92 | 25 | 15 | 1,2 | 3 | 414 | 3,92 | 4,99 | 239,63 | 28,19 | 6,9 | 66,36 | 11,74 | 3,63 | 3,55 | 0 |
| C+170-90x25x15x1 | 170 | 90 | 90 | 25 | 15 | 1 | 3 | 414 | 3,25 | 4,14 | 197,88 | 23,28 | 6,89 | 52,99 | 9,57 | 3,56 | 3,46 | 0 |
| C+160-93x25x15x2 | 160 | 93 | 93 | 25 | 15 | 2 | 3 | 400 | 6,29 | 8,02 | 342,31 | 42,79 | 6,49 | 107,06 | 18,99 | 3,63 | 3,66 | 0 |
| C+160-92x25x15x1,5 | 160 | 92 | 92 | 25 | 15 | 1,5 | 3 | 400 | 4,75 | 6,05 | 258,43 | 32,3 | 6,5 | 80,03 | 14,36 | 3,62 | 3,63 | 0 |
| C+160-91x25x15x1,2 | 160 | 91 | 91 | 25 | 15 | 1,2 | 3 | 400 | 3,8 | 4,85 | 206,96 | 25,87 | 6,5 | 63,24 | 11,47 | 3,59 | 3,59 | 0 |
| C+160-88x25x15x1 | 160 | 88 | 88 | 25 | 15 | 1 | 3 | 400 | 3,14 | 4 | 169,6 | 21,2 | 6,49 | 49,16 | 9,2 | 3,49 | 3,46 | 0 |
| C+150-90x25x15x3 | 150 | 90 | 90 | 25 | 15 | 3 | 3 | 375 | 8,87 | 11,3 | 420,21 | 56,03 | 6,04 | 138,61 | 25,64 | 3,47 | 3,6 | 0 |
| C+150-88x25x15x2,5 | 150 | 88 | 88 | 25 | 15 | 2,5 | 3 | 375 | 7,39 | 9,42 | 349,84 | 46,65 | 6,04 | 111,99 | 21,19 | 3,42 | 3,52 | 0 |
| C+150-86x25x15x2 | 150 | 86 | 86 | 25 | 15 | 2 | 3 | 375 | 5,92 | 7,54 | 279,68 | 37,29 | 6,04 | 86,91 | 16,83 | 3,37 | 3,44 | 0 |
| C+150-85x25x15x1,5 | 150 | 85 | 85 | 25 | 15 | 1,5 | 3 | 375 | 4,46 | 5,69 | 211,22 | 28,16 | 6,06 | 64,92 | 12,73 | 3,36 | 3,4 | 0 |
| C+140-95x25x15x3 | 140 | 95 | 95 | 25 | 15 | 3 | 3 | 375 | 8,87 | 11,3 | 372,07 | 53,15 | 5,68 | 153,53 | 27,49 | 3,65 | 3,92 | 0 |
| C+140-93x25x15x2,5 | 140 | 93 | 93 | 25 | 15 | 2,5 | 3 | 375 | 7,39 | 9,42 | 309,91 | 44,27 | 5,68 | 124,29 | 22,74 | 3,6 | 3,83 | 0 |
| C+140-91x25x15x2 | 140 | 91 | 91 | 25 | 15 | 2 | 3 | 375 | 5,92 | 7,54 | 247,88 | 35,41 | 5,69 | 96,65 | 18,08 | 3,55 | 3,75 | 0 |
| C+140-90x25x15x1,5 | 140 | 90 | 90 | 25 | 15 | 1,5 | 3 | 375 | 4,46 | 5,69 | 187,26 | 26,75 | 5,7 | 72,24 | 13,68 | 3,54 | 3,72 | 0 |
| C+140-86x25x15x1 | 140 | 86 | 86 | 25 | 15 | 1 | 3 | 375 | 2,95 | 3,76 | 122,82 | 17,55 | 5,69 | 44,29 | 8,76 | 3,42 | 3,55 | 0 |
| C+120-88x25x15x4 | 120 | 88 | 88 | 25 | 15 | 4 | 3 | 333 | 10,5 | 13,38 | 317,25 | 52,88 | 4,8 | 152,87 | 30,4 | 3,33 | 3,77 | 0 |
| C+120-86x25x15x3,5 | 120 | 86 | 86 | 25 | 15 | 3,5 | 3 | 333 | 9,19 | 11,71 | 277,69 | 46,28 | 4,81 | 129,78 | 26,42 | 3,29 | 3,69 | 0 |
| C+120-85x25x15x3 | 120 | 85 | 85 | 25 | 15 | 3 | 3 | 333 | 7,93 | 10,1 | 239,98 | 40 | 4,82 | 110,81 | 22,86 | 3,28 | 3,65 | 0 |
| C+100-98x25x15x4 | 100 | 98 | 98 | 25 | 15 | 4 | 3 | 333 | 10,5 | 13,38 | 225,3 | 45,06 | 4,05 | 184,82 | 34,71 | 3,67 | 4,48 | 0 |
| C+100-96x25x15x3,5 | 100 | 96 | 96 | 25 | 15 | 3,5 | 3 | 333 | 9,19 | 11,71 | 197,41 | 39,48 | 4,05 | 157,35 | 30,2 | 3,62 | 4,39 | 0 |
| C+100-94x25x15x3 | 100 | 94 | 94 | 25 | 15 | 3 | 3 | 333 | 7,88 | 10,04 | 169,43 | 33,89 | 4,06 | 131,15 | 25,74 | 3,57 | 4,3 | 0 |
| C+100-92x25x15x2,5 | 100 | 92 | 92 | 25 | 15 | 2,5 | 3 | 333 | 6,57 | 8,37 | 141,36 | 28,27 | 4,07 | 106,22 | 21,32 | 3,53 | 4,22 | 0 |
| C+100-90x25x15x2 | 100 | 90 | 90 | 25 | 15 | 2 | 3 | 333 | 5,26 | 6,7 | 113,2 | 22,64 | 4,08 | 82,53 | 16,95 | 3,48 | 4,13 | 0 |
| C+100-88x25x15x1,2 | 100 | 88 | 88 | 25 | 15 | 1,2 | 3 | 333 | 3,18 | 4,05 | 68,66 | 13,73 | 4,09 | 48,69 | 10,25 | 3,44 | 4,05 | 0 |
| C+100-85x25x15x1 | 100 | 85 | 85 | 25 | 15 | 1 | 3 | 333 | 2,62 | 3,34 | 56,19 | 11,24 | 4,08 | 37,8 | 8,23 | 3,35 | 3,91 | 0 |
| C+180-86x25x15x1 | 180 | 86 | 86 | 25 | 15 | 1 | 3 | 414 | 3,26 | 4,16 | 219,34 | 24,37 | 7,23 | 48,74 | 9,04 | 3,41 | 3,21 | 0 |
| C+170-100x25x15x3 | 170 | 100 | 100 | 25 | 15 | 3 | 3 | 414 | 9,81 | 12,5 | 603,94 | 71,05 | 6,89 | 186,88 | 30,45 | 3,83 | 3,86 | 0 |
| C+170-98x25x15x2,5 | 170 | 98 | 98 | 25 | 15 | 2,5 | 3 | 414 | 8,18 | 10,42 | 502,94 | 59,17 | 6,89 | 151,56 | 25,2 | 3,78 | 3,79 | 0 |
| C+170-96x25x15x2 | 170 | 96 | 96 | 25 | 15 | 2 | 3 | 414 | 6,54 | 8,34 | 402,14 | 47,31 | 6,9 | 118,03 | 20,03 | 3,74 | 3,71 | 0 |
| C+170-92x25x15x1,2 | 170 | 92 | 92 | 25 | 15 | 1,2 | 3 | 414 | 3,92 | 4,99 | 239,63 | 28,19 | 6,9 | 66,36 | 11,74 | 3,63 | 3,55 | 0 |
| C+170-90x25x15x1 | 170 | 90 | 90 | 25 | 15 | 1 | 3 | 414 | 3,25 | 4,14 | 197,88 | 23,28 | 6,89 | 52,99 | 9,57 | 3,56 | 3,46 | 0 |
| C+160-93x25x15x2 | 160 | 93 | 93 | 25 | 15 | 2 | 3 | 400 | 6,29 | 8,02 | 342,31 | 42,79 | 6,49 | 107,06 | 18,99 | 3,63 | 3,66 | 0 |
| C+160-92x25x15x1,5 | 160 | 92 | 92 | 25 | 15 | 1,5 | 3 | 400 | 4,75 | 6,05 | 258,43 | 32,3 | 6,5 | 80,03 | 14,36 | 3,62 | 3,63 | 0 |
| C+160-91x25x15x1,2 | 160 | 91 | 91 | 25 | 15 | 1,2 | 3 | 400 | 3,8 | 4,85 | 206,96 | 25,87 | 6,5 | 63,24 | 11,47 | 3,59 | 3,59 | 0 |
| C+160-88x25x15x1 | 160 | 88 | 88 | 25 | 15 | 1 | 3 | 400 | 3,14 | 4 | 169,6 | 21,2 | 6,49 | 49,16 | 9,2 | 3,49 | 3,46 | 0 |
| C+150-90x25x15x3 | 150 | 90 | 90 | 25 | 15 | 3 | 3 | 375 | 8,87 | 11,3 | 420,21 | 56,03 | 6,04 | 138,61 | 25,64 | 3,47 | 3,6 | 0 |
| C+150-88x25x15x2,5 | 150 | 88 | 88 | 25 | 15 | 2,5 | 3 | 375 | 7,39 | 9,42 | 349,84 | 46,65 | 6,04 | 111,99 | 21,19 | 3,42 | 3,52 | 0 |
| C+150-86x25x15x2 | 150 | 86 | 86 | 25 | 15 | 2 | 3 | 375 | 5,92 | 7,54 | 279,68 | 37,29 | 6,04 | 86,91 | 16,83 | 3,37 | 3,44 | 0 |
| C+150-85x25x15x1,5 | 150 | 85 | 85 | 25 | 15 | 1,5 | 3 | 375 | 4,46 | 5,69 | 211,22 | 28,16 | 6,06 | 64,92 | 12,73 | 3,36 | 3,4 | 0 |
| C+140-95x25x15x3 | 140 | 95 | 95 | 25 | 15 | 3 | 3 | 375 | 8,87 | 11,3 | 372,07 | 53,15 | 5,68 | 153,53 | 27,49 | 3,65 | 3,92 | 0 |
| C+140-93x25x15x2,5 | 140 | 93 | 93 | 25 | 15 | 2,5 | 3 | 375 | 7,39 | 9,42 | 309,91 | 44,27 | 5,68 | 124,29 | 22,74 | 3,6 | 3,83 | 0 |
| C+140-91x25x15x2 | 140 | 91 | 91 | 25 | 15 | 2 | 3 | 375 | 5,92 | 7,54 | 247,88 | 35,41 | 5,69 | 96,65 | 18,08 | 3,55 | 3,75 | 0 |
| C+140-90x25x15x1,5 | 140 | 90 | 90 | 25 | 15 | 1,5 | 3 | 375 | 4,46 | 5,69 | 187,26 | 26,75 | 5,7 | 72,24 | 13,68 | 3,54 | 3,72 | 0 |
| C+140-86x25x15x1 | 140 | 86 | 86 | 25 | 15 | 1 | 3 | 375 | 2,95 | 3,76 | 122,82 | 17,55 | 5,69 | 44,29 | 8,76 | 3,42 | 3,55 | 0 |
| C+120-88x25x15x4 | 120 | 88 | 88 | 25 | 15 | 4 | 3 | 333 | 10,5 | 13,38 | 317,25 | 52,88 | 4,8 | 152,87 | 30,4 | 3,33 | 3,77 | 0 |
| C+120-86x25x15x3,5 | 120 | 86 | 86 | 25 | 15 | 3,5 | 3 | 333 | 9,19 | 11,71 | 277,69 | 46,28 | 4,81 | 129,78 | 26,42 | 3,29 | 3,69 | 0 |
| C+120-85x25x15x3 | 120 | 85 | 85 | 25 | 15 | 3 | 3 | 333 | 7,93 | 10,1 | 239,98 | 40 | 4,82 | 110,81 | 22,86 | 3,28 | 3,65 | 0 |
| C+100-98x25x15x4 | 100 | 98 | 98 | 25 | 15 | 4 | 3 | 333 | 10,5 | 13,38 | 225,3 | 45,06 | 4,05 | 184,82 | 34,71 | 3,67 | 4,48 | 0 |
| C+100-96x25x15x3,5 | 100 | 96 | 96 | 25 | 15 | 3,5 | 3 | 333 | 9,19 | 11,71 | 197,41 | 39,48 | 4,05 | 157,35 | 30,2 | 3,62 | 4,39 | 0 |
| C+100-94x25x15x3 | 100 | 94 | 94 | 25 | 15 | 3 | 3 | 333 | 7,88 | 10,04 | 169,43 | 33,89 | 4,06 | 131,15 | 25,74 | 3,57 | 4,3 | 0 |
| C+100-92x25x15x2,5 | 100 | 92 | 92 | 25 | 15 | 2,5 | 3 | 333 | 6,57 | 8,37 | 141,36 | 28,27 | 4,07 | 106,22 | 21,32 | 3,53 | 4,22 | 0 |
| C+100-90x25x15x2 | 100 | 90 | 90 | 25 | 15 | 2 | 3 | 333 | 5,26 | 6,7 | 113,2 | 22,64 | 4,08 | 82,53 | 16,95 | 3,48 | 4,13 | 0 |
| C+100-88x25x15x1,2 | 100 | 88 | 88 | 25 | 15 | 1,2 | 3 | 333 | 3,18 | 4,05 | 68,66 | 13,73 | 4,09 | 48,69 | 10,25 | 3,44 | 4,05 | 0 |
| C+100-85x25x15x1 | 100 | 85 | 85 | 25 | 15 | 1 | 3 | 333 | 2,62 | 3,34 | 56,19 | 11,24 | 4,08 | 37,8 | 8,23 | 3,35 | 3,91 | 0 |
| Profil | mm | mm | mm | mm | mm | mm | mm | mm | kg/m | cm2 | lx(cm4) | Sx(cm3) | rx(cm) | ly(cm4) | Sy(cm3) | ry(cm) | ex(cm) | ey(cm) |
| H | A | B | C | D | T | Radius | ~Açılım | Ağırlık | Alan | Kuvvetli Eksen (x-x) | Zayıf Eksen (y-y) | Ağırlık Merkezi | ||||||
- İstenilen ara ölçülerde de üretim yapılabilmektedir.
- Çelik cinsi ve yüke göre etkin kesit hesabı yapılması önerilir.
- Gelen yüke, mesnet durumuna ve çelik cinsine göre etkin atalet, mukavemet ve kesit değerleri değişmektedir.
- Tüm hesaplamalar ağırlık merkezine göre yapılmıştır.
- A, B, ve C farklı ölçülerde üretilebilmektedir.

